KP119X
  • KP119XKP119X

KP119X

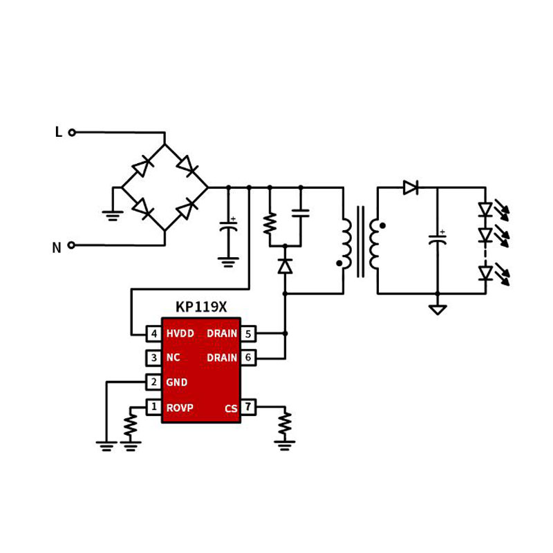
KP119X on pitkälle integroitujen virtakytkimien perhe, jossa on DCM (Discontinuous Conduction Mode) Primary Side Regulation (PSR) -vakiovirran (CC) ohjaus suuritehoisiin eristettyihin LED-valaistussovelluksiin.

Lähetä kysely

Tuotteen Kuvaus

Eristetty PSR-vakiovirran LED-virtakytkin


KP119X on pitkälle integroitujen virtakytkimien perhe, jossa on DCM (Discontinuous Conduction Mode) Primary Side Regulation (PSR) -vakiovirran (CC) ohjaus suuritehoisiin eristettyihin LED-valaistussovelluksiin.


KP119X integroi 650 V:n tehon MOSFETin ja integroi korkeajännitteisen käynnistys-/IC-syöttöpiirin ja uuden muuntajan demagnetointipiirin, mikä eliminoi muuntajan apukäämin ja alentaa järjestelmän suunnittelukustannuksia. IC käyttää myös erittäin tarkkaa virrantunnistusmenetelmää, joka ylläpitää tarkan lähtövirran ja hyvän linjan/kuorman säädön.


KP119X integroi virtarajan ja etureunan tyhjennyksen, alijännitteen lukituksen (UVLO), syklikohtaisen virranrajoituksen (OCP), lämpötakaisin (OTP), ylijännitesuojan (OVP), LED-auko/oikosulkusuojauksen toiminnot ja suojaukset. , jne.


ominaisuudet

•  Integroitu 650 V MOSFETiin

•  Integroitu HV-käynnistys- ja VDD-virtalähdepiiri

•  PSR CC Control

•  ±5 % CC-asetus

•  Erittäin alhainen VDD-toimintavirta

•  Sisäänrakennettu AC-linjan CC-kompensointi

•  Saatavilla SOP-7- ja DIP-7-paketilla


• Sisäänrakennetut suojaukset:

• Output Over Voltage Protection (OVP)

•  Jaksoittainen virranrajoitus

•  Leading Edge Blanking (LEB)

•  LED-suojaus oikosulku/avoin

•  On-chip Thermal Fold-Back (OTP)


Sovellukset

•  Alasvalo, kattovalo, paneelivalo   •  Muu tehokas LED-valo



Ota meihin yhteyttä

Shenzhenin pääkonttori: 10. kerros, tutkimus- ja kehityskeskuksen rakennus, EVOC teollisuuspuisto, 

Guangming Street, Guangming Piiri, Shenzhen City, Guangdongin provinssi, Kiina

Yrityksen virallinen verkkosivusto: www.cokinsemi.com

 

Sähköposti: wyq@cokinic.com

Puhelin:+86-18681585060

 




Hot Tags: KP119X, Kiina, valmistaja, toimittaja, tehdas, räätälöity, alhainen hinta, laatu, edistynyt, kestävä, viimeisin myynti, varastossa
Aiheeseen liittyvä luokka
Lähetä kysely
Ole hyvä ja lähetä kyselysi alla olevalla lomakkeella. Vastaamme sinulle 24 tunnin kuluessa.
X
Käytämme evästeitä tarjotaksemme sinulle paremman selauskokemuksen, analysoidaksemme sivuston liikennettä ja mukauttaaksemme sisältöä. Käyttämällä tätä sivustoa hyväksyt evästeiden käytön. Tietosuojakäytäntö
Hylätä Hyväksyä