Kuinka DCDC-vakiovirtasiru toimii korkean tarkkuuden tehosäädössä?

2025-12-19 - Jätä minulle viesti

Artikkelin tiivistelmä

A DCDC vakiovirtasiruon nykyaikaisten virranhallintajärjestelmien ydinkomponentti, joka on suunniteltu tuottamaan vakaa ja säädettävä lähtövirta kuormituksen tai syöttöjännitteen vaihteluista riippumatta. Tämä artikkeli tarjoaa kattavan teknisen yleiskatsauksen DCDC-vakiovirtasirujen toiminnasta, tutkii tärkeimpiä sähköparametreja, tutkii todellisia sovellusskenaarioita ja vastaa usein kysyttyihin teknisiin kysymyksiin. Sisältö on rakennettu tukemaan teknistä päätöksentekoa, komponenttien valintaa ja pitkän aikavälin järjestelmän optimointia samalla, kun se vastaa nykyistä hakukäyttäytymistä ja ammattimaisia ​​lukutottumuksia.

AS6911SGA


Sisällysluettelo


Sisällön ääriviivat

  • Toimintaperiaatteet ja sisäinen arkkitehtuuri
  • Yksityiskohtainen selitys sähkö- ja lämpöparametreista
  • Teollisuus-, auto- ja kulutuselektroniikkasovellukset
  • Tekniset usein kysytyt kysymykset, jotka käsittelevät yleisiä suunnitteluhaasteita
  • Tulevaisuuden kehitystrendit ja järjestelmätason integraatio

1. Kuinka DCDC-vakiovirtasiru on suunniteltu säätelemään virtaa?

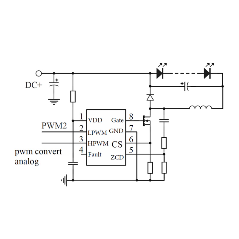
DCDC vakiovirtasiru on kytkentätilan tehonhallintapiiri, joka ylläpitää kiinteää lähtövirtaa säätämällä dynaamisesti käyttöjaksoa, kytkentätaajuutta ja takaisinkytkentäohjaussilmukoita. Toisin kuin vakiojännitesäätimissä, ensisijainen ohjausmuuttuja on virta eikä jännite, joten tämän tyyppiset sirut ovat välttämättömiä kuormille, kuten LEDeille, laserdiodeille, akun latauspiireille ja tarkkuusantureille.

Sisäisesti siru integroi nopean virhevahvistimen, virrantunnistusvertailijan, referenssijännitelähteen ja tehon MOSFET-ohjaimen. Kuorman läpi kulkeva virta näyte otetaan sisäisen tai ulkoisen tuntovastuksen kautta. Tätä havaittua signaalia verrataan vertailukynnykseen, ja ohjauslogiikka säätää kytkentäkäyttäytymistä kompensoimaan linjan tai kuorman muutoksia.

Keskeinen suunnittelutavoite on virran vakaus vaihtelevissa syöttöolosuhteissa. Toimimalla buck-, boost- tai buck-boost-topologioissa DCDC-vakiovirtasiru voi tukea laajoja tulojännitealueita säilyttäen samalla tehokkuuden ja lämpöturvallisuuden.


2. Kuinka avainparametrit määrittävät DCDC-vakiovirtasirun suorituskyvyn?

Sopivan DCDC-vakiovirtasirun valitseminen edellyttää sen sähköisten, lämpö- ja ohjausominaisuuksien tarkkaa arviointia. Nämä parametrit vaikuttavat suoraan järjestelmän luotettavuuteen, tehokkuuteen ja säädöstenmukaisuuteen.

Parametri Tyypillinen alue Tekninen merkitys
Tulojännitealue 3V - 60V Määrittää yhteensopivuuden akkupakettien, sovittimien tai teollisuusväylien kanssa
Lähtövirran tarkkuus ±1 % - ±5 % Määrittää virransäädön tarkkuuden dynaamisilla kuormilla
Vaihtotaajuus 100kHz - 2MHz Vaikuttaa tehokkuuteen, EMI-suorituskykyyn ja passiivisten komponenttien kokoon
Tehokkuus 85 % - 98 % Vaikuttaa suoraan lämpöhäviöön ja tehohäviöön
Lämpösuojaus 150°C – 170°C Sammutus Estää laitteen vian ylikuormituksen tai riittämättömän jäähdytyksen aikana

Kehittyneissä laitteissa on myös ominaisuuksia, kuten pehmeä käynnistysohjaus, PWM-himmennysliitännät, analoginen virransäätö ja vikadiagnostiikka. Nämä ominaisuudet yksinkertaistavat järjestelmätason suunnittelua ja vähentävät ulkoisten piirien tarvetta.


DCDC vakiovirtasiru – yleisiä kysymyksiä ja vastauksia

K: Kuinka DCDC-vakiovirtasiru säilyttää vakaan ulostulon, kun tulojännite vaihtelee?

V: Siru tarkkailee jatkuvasti kuormitusvirtaa takaisinkytkentäsilmukan kautta ja säätää kytkentäsuhteen reaaliajassa kompensoimalla mahdolliset muutokset tulojännitteessä muuttamatta säädeltyä virtatasoa.

K: Miten lämpöä hallitaan suurivirtaisissa DCDC vakiovirtasirusovelluksissa?

V: Lämpöä hallitaan tehokkaiden kytkentätopologioiden avulla, matala RDS(päällä)MOSFETit, lämpösammutuspiirit ja optimoidut piirilevyasettelut, jotka parantavat lämmönpoistoa.

K: Miten vakiovirtasiru eroaa vakiojännitesäätimestä järjestelmän suunnittelussa?

V: Vakiovirtasiru asettaa etusijalle virran tarkkuuden jännitteen vakauden sijaan, joten se sopii virralle herkille kuormille, joissa jännite voi vaihdella käyttöolosuhteiden mukaan.


3. Kuinka DCDC-vakiovirtasirua käytetään eri toimialoilla?

DCDC vakiovirtasirus -siruja on laajalti käytössä useilla toimialoilla niiden joustavuuden ja tehokkuuden ansiosta. Solid-state-valaistusjärjestelmissä ne varmistavat tasaisen kirkkauden ja pidentävät LEDin käyttöikää. Autoelektroniikassa ne tukevat mukautuvaa valaistusta, mittaristoja ja akunhallintaalijärjestelmiä.

Teollisuusautomaatiojärjestelmät käyttävät näitä siruja ohjaamaan antureita, toimilaitteita ja optisia komponentteja, jotka edellyttävät ennakoitavissa olevaa virran käyttäytymistä. Lääketieteelliset laitteet perustuvat jatkuvaan virransäätöön signaalin tarkkuuden ja potilasturvallisuuden takaamiseksi. Kulutuselektroniikka hyötyy kompaktista integraatiosta ja alhaisesta virrankulutuksesta erityisesti kannettavissa laitteissa.

Jokainen sovellusskenaario asettaa ainutlaatuisia sähkö- ja ympäristövaatimuksia, mikä vahvistaa, että on tärkeää valita siru, jossa on asianmukaiset suojausominaisuudet ja ohjausliitännät.


4. Miten DCDC:n vakiovirtasirutekniikka kehittyy?

DCDC vakiovirtasiru -teknologian kehitystä ohjaa kasvava tarve korkeammalle tehokkuudelle, laajemmalle tulojännitteen toleranssille ja älykkäälle ohjaukselle. Tulevaisuuden suunnittelussa korostuvat digitaaliset ohjaussilmukat, mukautuva virran skaalaus ja tiiviimpi integraatio mikro-ohjainten ja tietoliikenneliitäntöjen kanssa.

Laajakaistaiset puolijohdemateriaalit, kuten GaN ja SiC, vaikuttavat seuraavan sukupolven arkkitehtuureihin mahdollistamalla korkeammat kytkentätaajuudet ja pienemmät johtavuushäviöt. Lisäksi järjestelmä-siru-integraatio vähentää jalanjälkeä ja parantaa luotettavuutta.

Kun voimajärjestelmät muuttuvat hajautetuiksi ja älykkäämmiksi, jatkuva virransäätö säilyy energiatehokkuuden ja suorituskyvyn optimoinnin perustana.


Shenzhen Cokintech Co., Ltd.keskittyy korkean suorituskyvyn DCDC Constant Current Chip -ratkaisujen kehittämiseen ja toimittamiseen, jotka on räätälöity teollisuus-, auto- ja edistyksellisiin elektroniikkasovelluksiin. Jatkuvan suunnittelun ja laatulähtöisen valmistuksen avulla yritys tukee vakaata ja skaalautuvaa virranhallintasuunnittelua.

Jos tarvitset teknisiä neuvoja, parametrien mukauttamista tai sovelluskohtaisia ​​suosituksiaota meihin yhteyttäkeskustella projektin vaatimuksista ja pitkäaikaisista yhteistyömahdollisuuksista.

Lähetä kysely

X
Käytämme evästeitä tarjotaksemme sinulle paremman selauskokemuksen, analysoidaksemme sivuston liikennettä ja mukauttaaksemme sisältöä. Käyttämällä tätä sivustoa hyväksyt evästeiden käytön. Tietosuojakäytäntö